A New Cellular Model Discovered For Heart Disease

Study in a Sentence: Using human stem cells from the umbilical cord or bone marrow, scientists have discovered a way to make heart vessel lining cells that are capable of growing in a healthy state, as well as converting to a disease-prone state called the mesenchymal transition.
Healthy for Humans: The new mesenchymal arterial cells derived by this method can serve as a cellular, human-relevant model of many heart conditions, such as heart attacks, high blood pressure, and congenital heart abnormalities. Hence, it can help scientists better understand these disease processes in humans as well as develop new drugs or strategies to treat them.
Redefining Research: Prior to this study, scientists have had a very challenging time growing these cells for research and relied on using cadavers or animals to obtain mesenchymal cells to study these human heart pathologies. This breakthrough provides scientists with a reliable source of human cells.
Credit: Morgridge Institute for Research
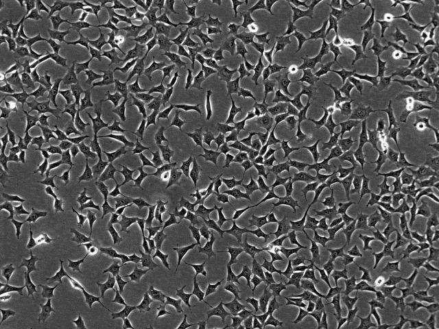
These are mesenchymal arterial cells, which become more star-shaped and can pile up on one another, leading to a thickening or buildup in the arteries.
References
- Miller AZ, Satchie A, Tannenbaum AP, Nihal A, Thomson JA, Vereide DT. Expandable arterial endothelial precursors from human CD34 cells differ in their proclivity to undergo an endothelial-to-mesenchymal transition. Stem Cell Reports. 2018;10:73-86. doi: 10.1016/j.stemcr.2017.12.011.